L'atelier sony HBF1VX en rade
Hello
Je cherche a remettre en route un msx2+ f1vx .
Il affichait une image pourrie avec les cartouches, pas de basic sans cartouche. Ecran noir.
Depuis , plus rien, parfois du garbage display avec une cartouche ( megaflash rom, testée sur d'autres msx)
Donc je check l'alim en premier, ça me sort du 5 et 12 en alternatif.
Le z80 reçois bien un signal 3,57Mhz sur la pin6, de l'activité sur les bus... A priori alive
Mais les signaux sont moches.....
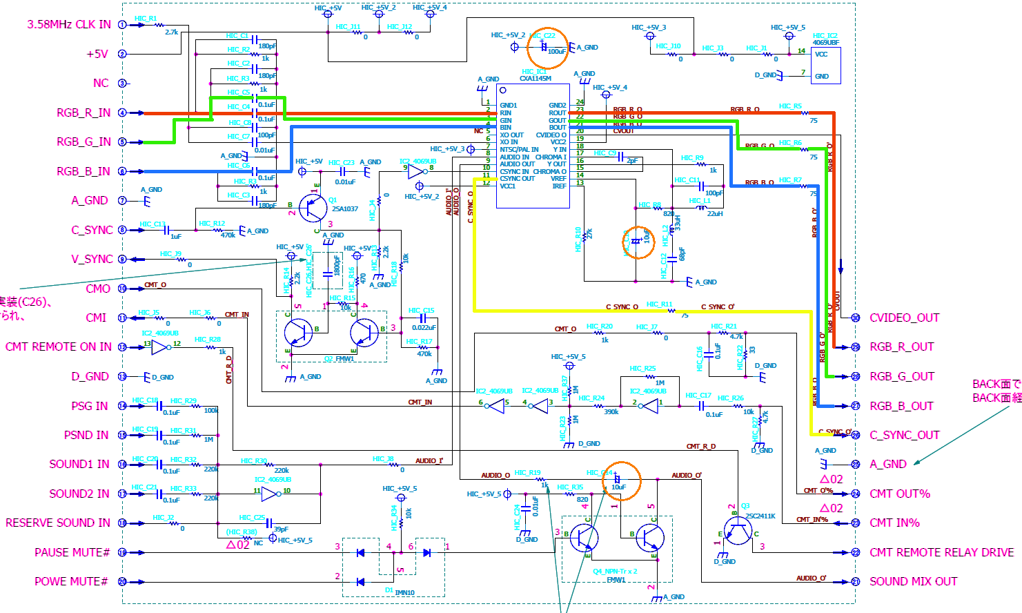
J'ai entendu parler de la carte HIC.... On en trouve ou ?
Une idee ou commencer ? De la doc ?
Merci Edité par dimebag Le 07/08/2025 à 22h12
Je cherche a remettre en route un msx2+ f1vx .
Il affichait une image pourrie avec les cartouches, pas de basic sans cartouche. Ecran noir.
Depuis , plus rien, parfois du garbage display avec une cartouche ( megaflash rom, testée sur d'autres msx)
Donc je check l'alim en premier, ça me sort du 5 et 12 en alternatif.
Le z80 reçois bien un signal 3,57Mhz sur la pin6, de l'activité sur les bus... A priori alive
Mais les signaux sont moches.....
J'ai entendu parler de la carte HIC.... On en trouve ou ?
Une idee ou commencer ? De la doc ?
Merci Edité par dimebag Le 07/08/2025 à 22h12
Citation :
Donc je check l'alim en premier, ça me sort du 5 et 12 en alternatif.
re-checke bien car ce sont des tensions continu =
sinon il faut remplacer 3 condensateurs CMS sur la carte HIC
regarde dans ce post : https://msxvillage.fr/forum/topic-4525-2+presentation-axee.php
si ils ont trop coulé les pistes peuvent être atteintes de corosion voire même coupées
il faut stopper avec du vinaigre blanc puis rincer à l'eau distillé
infos et schéma ici : https://elec-junker-p2.blog.jp/archives/6089094.html
au passage j'ai retrouvé ce post avec le HIC
https://msxvillage.fr/forum/topic-4033-1+sauvetage-d-un-panasonhic.php
https://msxvillage.fr/forum/topic-4033-1+sauvetage-d-un-panasonhic.php
Ok super, un grand Merci
je l'ai redémarré tout à l'heure et surprise, garbage a l'écran , mais musique et réaction a l'appuie du clavier.... la musique a changée
Laurent Edité par dimebag Le 08/08/2025 à 19h02
je l'ai redémarré tout à l'heure et surprise, garbage a l'écran , mais musique et réaction a l'appuie du clavier.... la musique a changée
Laurent Edité par dimebag Le 08/08/2025 à 19h02
Hello dimebag, si la HIC d'origine est pas réparable ou trop abimée, il existe aussi une solution mais qui demeure assez honéreuse en terme de temps et d'argent pour remplacer cette carte HIC,
la team RSBC propose les fichiers gerber et la BOM pour monter soi même une carte HIC de remplacement, les sources sont sur leur github.
Malheureusement aucun commerçant ne propose des cartes déjà montées, du moins j'en ai pas trouvé (et c'est bien dommage, car je pense que ça sauverait pas mal de msx2+ sony).
La page du projet si tu décides de te lancer dans l'entreprise (ou que tu connais qqun qui pourrait le faire pour toi) : page github
Moi j'avais fait fabriquer la pcb via jclpcb, et j'avais acheté et monté les composants moi même, au final ça m'a couté un peu cher, mais le résultat est que j'ai pu réparer mon f1xdj
Un petit feedback ici : mon post
la team RSBC propose les fichiers gerber et la BOM pour monter soi même une carte HIC de remplacement, les sources sont sur leur github.
Malheureusement aucun commerçant ne propose des cartes déjà montées, du moins j'en ai pas trouvé (et c'est bien dommage, car je pense que ça sauverait pas mal de msx2+ sony).
La page du projet si tu décides de te lancer dans l'entreprise (ou que tu connais qqun qui pourrait le faire pour toi) : page github
Moi j'avais fait fabriquer la pcb via jclpcb, et j'avais acheté et monté les composants moi même, au final ça m'a couté un peu cher, mais le résultat est que j'ai pu réparer mon f1xdj
Un petit feedback ici : mon post
Répondre
Vous n'êtes pas autorisé à écrire dans cette catégorie




